Độ phân giải quang học: lên đến 0,08nm
Thiết kế nhỏ gọn: Kích thước lòng bàn tay để dễ dàng thao tác
Đường dẫn quang học: cấu hình C-T không đối xứng chéo với bộ lọc nhiễu để khử nhiễu xạ bậc hai
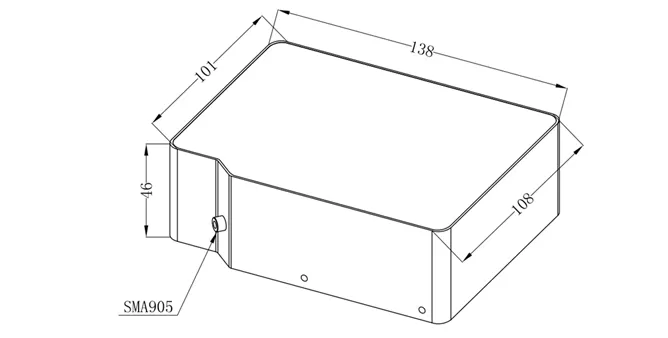
Kết nối sợi: Đầu nối sợi quang sma905 để tích hợp liền mạch với các thiết bị bên ngoài
Cấu hình linh hoạt: Dải bước sóng có thể lựa chọn và độ phân giải quang học
Giao diện: USB 2.0 để truyền dữ liệu đồng thời và cấp nguồn
Giao thức truyền thông: Hỗ trợ RS232
Tùy chọn kích hoạt: Có nhiều chế độ kích hoạt
Phần mềm nâng cao: Tính toán băng thông và bước sóng đỉnh tự động
Tùy chỉnh: Hỗ trợ SDK để phát triển thứ cấp và tích hợp OEM
Bước sóng trung tâm Laser, fwhm và đo độ ổn định
Đo phổ phát xạ & hấp thụ
Kiểm tra độ truyền và độ hấp thụ
Phát hiện huỳnh quang
Đo Màu
Đo Đèn LED/đèn LED
Kiểm tra Phổ năng lượng mặt trời
Mô hình | BIM-6602A |
Dải bước sóng | 180nm-1100nm tùy chọn |
Độ phân giải | Tối ưu ~ 0,08nm |
Đầu nối sợi quang | Sma905 |
Máy dò | Hamamatsu s11639 CMOS tuyến tính |
Điểm ảnh dò | 2048 pixel, Mỗi pixel 14μm × 200μm |
Tỷ lệ tín hiệu/nhiễu | 600:1 |
Độ phân giải A/D | 16 bit |
Thời gian tích hợp | 0.5ms-65S |
Dải động | 10000:1 |
Mô hình kích hoạt | Chế độ bình thường, phần mềm, phần cứng, kích hoạt đồng bộ hóa |
Tiêu thụ điện năng | 250mA,5VDC |
Nhiệt độ hoạt động | 5oC-35oC (khuyên dùng 25oC) |
Giao diện truyền thông | USB2.0(12 MB/giây) RS232(115200bps) |
Hệ thống vận hành | Win XP,Win7,Win8,Win10 |
Độ tuyến tính | > 99% |
Nguồn điện | USB |
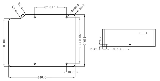
Kích thước | 140mm x 110mm x 46mm |
Trọng lượng | 0.7 kg |
# | Mô tả bộ phận | Số lượng. |
1 | Quang phổ kế | 1 |
2 | Cáp USB | 1 |
3 | Báo cáo hiệu chuẩn (QRcode để tải xuống phần mềm & hướng dẫn sử dụng) | 1 |
4 | Hộp đóng gói | 1 |
Mô hình | Mô hình hoàn chỉnh | Dải bước sóng | Độ phân giải |
BIM-6602A-01 | BIM-6602A-01-S03L00F00G14 | 200-420 nm | ~ 0.3 nm |
BIM-6602A-02 | BIM-6602A-02-S01L00F06G11 | 200-1000 nm | ~ 0.8 nm |
BIM-6602A-03 | BIM-6602A-03-S02L00F05G12 | 380-900 nm | ~ 0.8 nm |
BIM-6602A-04 | BIM-6602A-04-S02L00F00G23 | 305-595 nm | ~ 0.3 nm |
BIM-6602A-05 | BIM-6602A-05-S02L00F08G08 | 900-1000 nm | ~ 0.15 nm |
BIM-6602A-05-S02L00F00G08 | 900-1000 nm | ~ 0.15 nm | |
BIM-6602A-05-S02L01F08G08 | 900-1000 nm | ~ 0.15 nm | |
BIM-6602A-05-S03L01F08G08 | 900-1000 nm | ~ 0.3 nm | |
BIM-6602A-06 | BIM-6602A-06-S01L00F00G26 | 600-1100 nm | ~ 0.6 nm |
BIM-6602A-06 | BIM-6602A-06-S01L00F08G26 | 600-1100 nm | ~ 0.6 nm |
BIM-6602A-07 | BIM-6602A-07-S02L00F05G25 | 330-770 nm | ~ 0.7 Nm |
BIM-6602A-08 | BIM-6602A-08-S02L00F00G10 | 500-720 nm | ~ 0.2 nm |
BIM-6602A-08 | BIM-6602A-08-S02L00F05G10 | 500-720 nm | ~ 0.2 nm |
BIM-6602A-09 | BIM-6602A-09-S01L01F00G27 | 800-1000 nm | ~ 0.1 Nm |
BIM-6602A-09 | BIM-6602A-09-S01L01F08G27 | 800-1000 nm | ~ 0.1 Nm |
BIM-6602A-10 | BIM-6602A-10-S02L00F00G08 | 250-400 nm | ~ 0.15 nm |
BIM-6602A-11 | BIM-6602A-11-S02L00F00G10 | 390-610 nm | ~ 0.2 nm |
BIM-6602A-12 | BIM-6602A-12-S01L00F06G11 | 300-1100 nm | ~ 0.8 nm |
BIM-6602A-13 | BIM-6602A-13-S02L00F05G12 | 340-850 nm | ~ 0.8 nm |
BIM-6602A-14 | BIM-6602A-14-S01L01F08G08 | 795-905 nm | ~ 0.1 Nm |
BIM-6602A-15 | BIM-6602A-15-S02L01F08G08 | 1005-1080 nm | ~ 0.15 nm |
BIM-6602A-16 | BIM-6602A-16-S02L00F08G08 | 750-870 nm | ~ 0.15 nm |
BIM-6602A-17 | BIM-6602A-17-S02L00F00G30 | 250-350 nm | ~ 0.1 Nm |
BIM-6602A-18 | BIM-6602A-18-S02L00F00G30 | 350-450 nm | ~ 0.1 Nm |
BIM-6602A-18-S01L02F00G30 | 350-450 nm | ~ 0.08 nm | |
BIM-6602A-19 | BIM-6602A-19-S01L01F08G30 | 660-734 nm | ~ 0.08 nm |
BIM-6602A-20 | BIM-6602A-20-S03L00F00G14 | 180-400 nm | ~ 0.3 nm |
BIM-6602A-21 | BIM-6602A-21-S02L00F08G08 | 580-715 nm | ~ 0.15 nm |
BIM-6602A-22 | BIM-6602A-22-S02L00F10G08 | 510-650 nm | ~ 0.15 nm |
BIM-6602A-23 | BIM-6602A-23-S02L00F06G25 | 250-650 nm | ~ 0.7 Nm |
Phần mềm phổ bsv
