Thí nghiệm có nhiều nội dung và bao gồm toàn diện bốn đặc điểm quan trọng nhất của đèn LED-ánh sáng, điện, màu sắc và nhiệt. Đây là kiến thức lý thuyết cơ bản nhất cần thiết cho các khóa học bắt buộc của chuyên ngành quang điện tử trong các trường đại học.
Một số mô-đun thử nghiệm độc lập với nhau nhưng cũng hỗ trợ lẫn nhau. Các bộ phận chức năng của các thành phần được xác định rõ ràng, giúp học sinh dễ hiểu.
Các thành phần của thiết bị thử nghiệm và thiết kế phần mềm đều được thiết kế theo tiêu chuẩn của sản phẩm giảng dạy. Cài đặt hoạt động tuân thủ các yêu cầu giảng dạy và các chức năng phần mềm đã hoàn tất, bao gồm điều hướng kiến thức, mô-đun kiểm tra độc lập, cho phép sinh viên có tư duy logic rõ ràng và dễ hiểu khi sử dụng, đạt được hiệu quả của việc đào sâu học tập lý thuyết.
Nguyên tắc kiểm tra tham số tuân thủ nghiêm ngặt các tiêu chuẩn kiểm tra có thẩm quyền hiện tại ở Trung Quốc và nước ngoài. Ví dụ: kiểm tra cường độ ánh sáng trung bình áp dụng các điều kiện tiêu chuẩn kiểm tra cường độ ánh sáng trung bình Cie; kiểm tra thông lượng phát sáng áp dụng phương pháp hình cầu tích hợp; đo nhiệt độ đường giao nhau áp dụng phương pháp dòng xung. Phương pháp này có ưu điểm là đơn giản, không phá hủy, chính xác và phản ứng thoáng qua tốt.
Thí nghiệm thử nghiệm đặc tính Volt-ampere.
Thử nghiệm mối quan hệ giữa cường độ ánh sáng và dòng điện.
Thí nghiệm mối quan hệ giữa quang thông và dòng điện.
Thí nghiệm đo lường các đặc tính phân bố không gian của đèn LED đầu ra.
Thí nghiệm đo các thông số màu của các đèn Led khác nhau.
Thử nghiệm kết hợp màu RGB.
Thí nghiệm đo hệ số VT (gợn sóng) của nguồn điện xung.
Thí nghiệm đo hệ số k.
Thí nghiệm đo nhiệt độ mối nối và khả năng chịu nhiệt.
Không. | Tên Bộ phận | Thông số chính |
1 | Nguồn điện LED I (nguồn điện không đổi) | Đầu vào 110V/220V, đầu ra 0 ~ 50/500mA, dải điện áp 0-10V |
2 | Nguồn điện LED II (Nguồn điện áp không đổi) | Đầu vào 110V/220V, đầu ra 0 ~ 10V; phạm vi hiện tại 0-0.1a |
3 | Nguồn điện xung (có thể lập trình) | Dòng điện đầu ra nhỏ dao động từ 0 đến 50 ma; dòng điện đầu ra lớn Dao động từ 50 đến 500 ma. |
4 | Bộ nguồn điều khiển nhiệt độ | Phạm vi gia nhiệt: 0 - 100 ℃ |
5 | Máy đo độ sáng với máy dò | Giá trị chiếu sáng và thông lượng phát sáng có thể đo được, phạm vi chiếu sáng: 0.001 LX đến 2000 LX; dải thông lượng phát sáng: 0.001 LM đến 999 LM; |
6 | Nguồn điện RGB (nguồn dòng không đổi) | Đầu ra dòng điện ba pha |
7 | Quang phổ kế sợi quang | Dải bước sóng: 350-1050nm, độ phân giải 2nm |
8 | Quạt làm mát nguồn sáng vonfram | Dải bước sóng: 400 nm-2000 nm Phương pháp làm mát: Quạt |
9 | Hệ thống điều khiển nhiệt độ | Phạm vi gia nhiệt 0 ~ 100 ℃ |
10 | Hình cầu tích hợp | Quả cầu tích hợp bức xạ |
11 | Giá đỡ và giá đỡ đèn LED | Đường kính 50mm |
Không. | Tên Bộ phận | Mô hình | Số lượng. |
1 | Nguồn điện LED I (nguồn điện không đổi) | BEM-5036 | 1 |
2 | Nguồn điện LED I (Nguồn điện áp không đổi) | BEM-5035 | 1 |
3 | Nguồn điện xung (có thể lập trình) | BEM-5037 | 1 |
4 | Bộ nguồn điều khiển nhiệt độ | BEM-5038 | 1 |
5 | Máy đo độ sáng với máy dò | BEM-5409 | 1 |
6 | Nguồn điện RGB (nguồn dòng không đổi) | BEM-5711 | 1 |
7 | Quang phổ kế sợi quang | Bim-6001-06 | 1 |
8 | Quạt làm mát nguồn sáng vonfram | Bim-6210 | 1 |
9 | Hệ thống điều khiển nhiệt độ | BEM-5040A | 1 |
10 | Hình cầu tích hợp | BEM-5216-15004 | 1 |
11 | Giá đỡ và giá đỡ đèn LED | BEM-5217 | 1 |
12 | Bộ cố định nguồn sáng RGB | BEM-5224 | 1 |
13 | Bệ điều chỉnh nguồn sáng | BEM-5214 | 1 |
14 | Ống khẩu độ có giá đỡ | BEM-5215 | 1 |
15 | Khẩu độ | BEM-5221-03 | 1 |
16 | Màn hình xem | BEM-5410 | 1 |
17 | Đường ray | BEM-5201-06 | 1 |
18 | Địu | BEM-5204-50 | 1 |
19 | Giá đỡ trụ có thể điều chỉnh | BEM-5205-25 | 1 |
20 | Áp phích | BEM-5209-09 | 1 |
| 21 | Sợi thạch anh | SIM-6102-0605-S/S-P | 1 |
22 | Mô-đun laser với vật cố định | BEM-5047 | 1 |
23 | Mẫu thử nghiệm LED với hộp đựng | BEM-5048 | 1 |
24 | Cáp điện | BC-105075 | 5 |
25 | Cáp dữ liệu USB | BC-105080 | 2 |
26 | Cáp kết nối phích cắm chuối 4mm, màu đỏ | BC-105084 | 6 |
27 | Cáp kết nối phích cắm chuối 4mm, màu đen | BC-105083 | 6 |
28 | Cáp kết nối hàng không 6 chân | BC-104103 | 1 |
1. thí nghiệm chuyển đổi điện & quang

2. Điều tra mối quan hệ giữa dòng điện, Thông lượng phát sáng và hiệu suất phát sáng

3. thí nghiệm phân bố không gian ánh sáng (đường cong phân bố ánh sáng)

Đường cong hiển thị sự thay đổi của trung bình
Cường độ ánh sáng trong không gian một chiều với dòng điện

Phân bố ánh sáng không gian hai chiều
Đường Cong (phân bố ánh sáng)
4. đường cong thể hiện mối quan hệ giữa dòng điện và Quang thông

Đường cong thể hiện mối quan hệ giữa hiệu suất phát sáng và dòng điện
5. đo các thông số màu của các đèn Led khác nhau

Đường cong thể hiện mối quan hệ giữa hiệu suất phát sáng và dòng điện
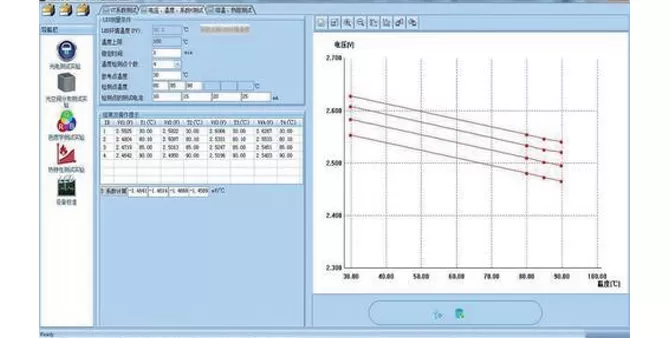
6. thí nghiệm kiểm tra đặc tính nhiệt
Mô-đun này được sử dụng để đo và tính toán hệ số k, điện trở nhiệt và nhiệt độ đường giao nhau của đèn LED. Thiết lập thử nghiệm bao gồm hệ thống điều khiển nhiệt độ, nguồn điện điều khiển nhiệt độ và nguồn điện xung. Sau khi thử nghiệm bắt đầu, đường cong thời gian điện áp có thể được hiển thị theo thời gian thực trên giao diện phần mềm, cho phép phân tích nhiệt độ đường giao nhau và điện trở nhiệt ở trạng thái ổn định.

Kiểm tra hệ số K dòng điện nhỏ
